Brennan Industries D8804-CF DIN Fittings
DeWALT DW4804 100058369 | IFA
_DongWoon_
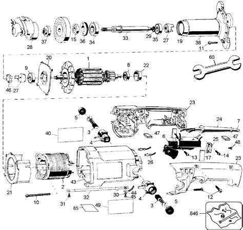
DW880_3 | ServiceNet
APW8804 datasheet(9/21 Pages) ANPEC | 3A 5V 1MH...
DEWALT DW8804 4-1/2-Inch by 3/32-Inch XP Metal ...
DWA0804 | DEWALT
Module WM8804 WM8804G Original authentic and ne...
DeWalt DW084 – Banknote internetveikals
WM8804 to CS8412 converter board for D1V3 & D1V...
W8304-UK-ETH | Ethicon EMEA
W-DIM8004-2 – DB Motoring Group
W-DIM8004-3 – DB Motoring Group
1pcs/lot WM8804GEDS/RV WM8804GEDS WM8804G WM880...
DW6498
Nord Auktion - Linjelaser DEWALT DW088
DW-8308
DW874 | ServiceNet B2B
ใบเลื่อยชักตัดไม้ DEWALT รุ่น DW4849/DW4804 ขนา...
DW9784 - HMI
Prototype DAI8804 board - Share - PCBWay
Sản phẩm
CN 8804
Brennan Industries D8404 DIN Fittings
Adidas Rękawice Predator Pro Fs Dn8584 Czerwony...
Fillable Online 8804 series Fax Email Print - p...
Arduino software control for WM8804/WM8805 | It...
dsc_8804 | #geoObserver
ISO/DIS 8804-2:2023 - Requirements for the trai...
Store Home Products Feedback