Повер шифт форд фокус 3 распиновка эбу - 85 фото
Скандинавский свет форд фокус 3 активация - 80 ...
Рулевая рейка Форд Фокус 2 Фокус 3 Москва | Авт...
Рульвая Рейка РУЛЕВАЯ рейка Форд Фокус МК3 Ford...
Ремонт рулевой рейки Форд Фокус 3: неисправност...
Рейка рулевая оригинал Форд Фокус 3 | Festima.R...
Подтянуть рулевую рейку форд фокус 3: Подтяжка ...
Рулевая рейка Ford focus 3 ЭУР | Пикабу
Форд Фокус 3. СНЯТИЕ И УСТАНОВКА КОЖУХА РУЛЕВОЙ...
Форд фокус 3 рулевая рейка разобрать — купить п...
Рулевая рейка Ford Focus 3 Москва | Автозапчаст...
Рулевая рейка форд фокус 3 эур аналоги - 95 фото
Информация о рулевой рейке автомобиля Ford Focus 3
Болячки Ford Focus 3. Рейка, коробка и т.д Отзы...
Рулевая рейка форд фокус 3 focus 3 | Festima.Ru...
Рулевая рейка фокус 3 – Видео как подтянуть рул...
форд фокус 3 как заменить - Автомобили Форд
Рулевая рейка Ford Focus 3 электро | Festima.Ru...
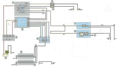
Электрические схемы Ford Focus 3, 2010 - 2019
Форд фокус электро - YouTube
Форд фокус 3 детали кузова схема
Схемы электрооборудования FORD FOCUS 3
Рулевая рейка Ford Focus 3 (Форд Фокус 3) | Fes...
Передний бампер Ford Focus mk3 Electric | Форд ...
Подтянуть рулевую рейку форд фокус 3 – Подтяжка...
Форд фокус 3 распиновка фары фишки фар