Familiarization with BM3451 chip - Battery Prod...
BM3451 Datasheet(PDF) - List of Unclassifed Man...
BMS BM3451 TNDC-T28A нагрев транзисторов - YouTube
BM3451 datasheet(13/28 Pages) ETC1 | 3/4/5 Cell...
BM3451 Resources - EasyEDA
BMS BM3451-T28 Resources - EasyEDA
5Pcs 100% New BM3451 BM3451TNDC T28A sop 28 Chi...
BM3451 Datasheet Meta Search
BM3451 Series: 3/4/5 Cell Battery Protectors | ...
1pcs BM3451 BM3451TNDC-T28A BM3451HEDC-T28A BM3...
BM3451 datasheet(27/28 Pages) ETC1 | 3/4/5 Cell...
BM3451 datasheet(1/28 Pages) ETC1 | 3/4/5 Cell ...
(10piece)100% New BM3451 BM3451TNDC T20B sop 20...
New&original BM3451 BM3451TNDC T28A|Replacement...
BM3451 datasheet(4/28 Pages) ETC1 | 3/4/5 Cell ...
BM3451 datasheet(16/28 Pages) ETC1 | 3/4/5 Cell...
BM3451 | PDF
BMS3451 - OSHWLab
BM3451 datasheet(3/28 Pages) ETC1 | 3/4/5 Cell ...
5pcs-lot-BM3451-BM3451SMDC-BM3451SMDC-T28A-TSSO...
BM3451 datasheet(2/28 Pages) ETC1 | 3/4/5 Cell ...
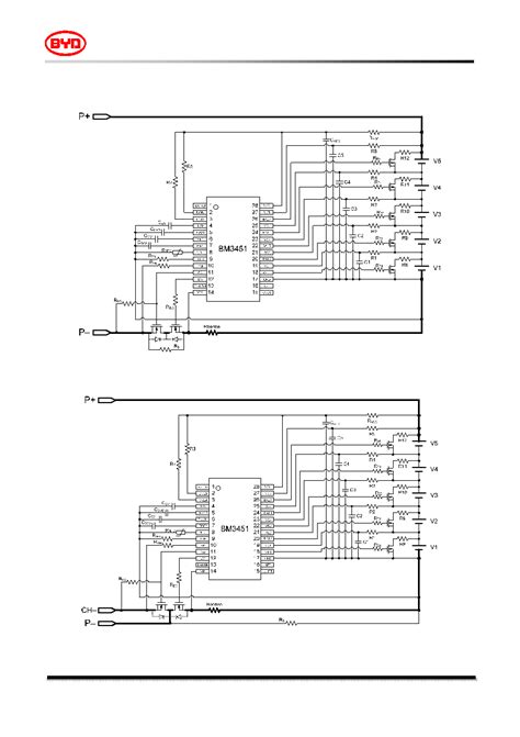
BM3451-16A - abcv - BYD Microelectronics Co., L...
BM3451 datasheet(8/28 Pages) ETC1 | 3/4/5 Cell ...
10pcs/lot!BM3451TNDC T20B BM3451 TSSOP 20 BM34...
10PCS BM3451VJDC T28A BM3451VJDC marking:BM3451...
BMC3451-20 Resources - EasyEDA
BM3451-Fever-Material-4-Four-Series-Lithium-Ion...
1pcs/lot Bm3451 Bm3451tndc-t28a Tssop28 - Integ...
BM3451 datasheet(25/28 Pages) ETC1 | 3/4/5 Cell...