Очень надёжный и крепкий фаркоп , подходит и на...
Установка фаркопа, наконец-то) — Volkswagen Gol...
Замена масла в гур на шевроле каптива с140 — Ch...
Продаю Шевролет Каптива ,в кузове с140,бензин 2...
Chevrolet Captiva — установка фаркопа. — Chevro...
Вторая жизнь "КАБАНА" (фары и запчасти) часть 4...
фаркоп на ниву шевроле КАК не получать Штрафы з...
Насос ГУР Шевроле Каптива (Chevrolet Captiva 2 ...
Замена упоров капота — Toyota Crown (S140), 2,5...
Шевроле каптива тюнинг с100 (48 фото) - красивы...
Фаркоп, прицеп, правила! Часть 2 — Chevrolet Ni...
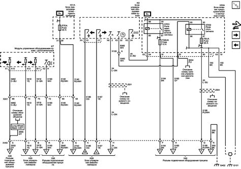
Шевроле каптива электросхема - 87 фото
Авто шевроле каптива (45 фото) - красивые карти...
Компрессор кондиционера Шевроле Каптива(Chevrol...
Фаркоп на т4
Продам Фаркоп на С140 Каптиву. — Chevrolet Capt...
фаркоп трейлер на шевроле каптива - YouTube
установка фаркопа — Volkswagen Passat B4, 1,8 л...
завели и переехали в новый бокс:) — Toyota Crow...
Фаркоп Chevrolet Epica, Фаркоп Шевроле Епіка, Ф...
Фаркоп.рф: купить фаркопы на Шевроле Каптива 20...
Chevrolet Captiva С140 | Много достоинств, и од...
Фаркопы – купить фаркоп в Москве и Санкт-Петерб...
Фаркоп на Шевроле ниву - YouTube
Рамка — Toyota Crown (S140), 2,5 л, 1993 года |...
Фонари с c140 наконец-то дошли руки — Chevrolet...
Самодиагностика парктроника шевроле каптива с14...
Купил фаркоп — Toyota Corolla (140/150), 1,6 л,...
Фото Шевроле Каптива 2014 Тюнинг — Картинки фот...
Замена ламп ПТФ Шевроле Каптива С140 / Лампа ПТ...