5Pcs-Lot-100-New-CS8623E-CS8626E-CS8655E-CS8673...
Nouveau original CS8573E CS8622E CS8623E CS8655...
Помогите с запуском усилителя на CS8623E! - Шко...
D类音频放大器CS8676E - 家电维修资料网
100% New&original 1pcs Cs8676e Sop-16 2x20w Dic...
CE6857-48s6cq-Ei 10/100/1000Mbps Switch Capacit...
CS8611E是一款电视音响带低音炮2X15W+30W功率放大2...
New Original High Quality Cs8676e Cs8676 8676 E...
音频功放芯片CS8672,CS8673,CS8676,CS8677,CS8...
5pcs 100% New Original Cs8623e Cs8626e Cs8655e ...
TOOL IMPROVER Innovative And Practical SOP-16 A...
Cs8673e 80W Mono 2x40W Stereo Class D Audio Amp...
New Original High Quality CS8676E CS8676 8676 E...
30W 2.1 Channel Audio Power Amplifier IC Chip C...
1pc-CS8676E-CS8676-CS8673-CS8673E-Audio-Power-A...
5piece New and original CS8573E CS8622E CS8623E...
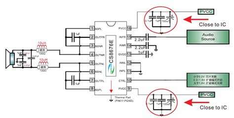
D类音频放大器 CS8676E 特点及应用 - 哔哩哔哩
CS8676E ESOP16 扩频功能,低空载电流,40倍增益,D类...
Datasheet - CS8676E | PDF
Intel Xeon 6780E And Xeon 6766E Consolidation S...
5pcs CS8676E ESOP-16 CS 8676 E SOP-16 SMD Class...
CS8673E Class D Amplifier IC - Audio Electronic...
2PCS-CS8573E-CS8622E-CS8623E-CS8655E-SMD-SOP16-...
原装正品 CS8676E CS8676 贴片ESOP-16 音频功放电...
Cs8676e
LC78626E Datasheet – Digital Signal Processor I...
CS8676中文资料_PDF下载 | icspec-芯片规格书搜索工具