Усилитель рулевой рейки на Приору — Lada Приора...
Предварительный усилитель и усилитель мощности....
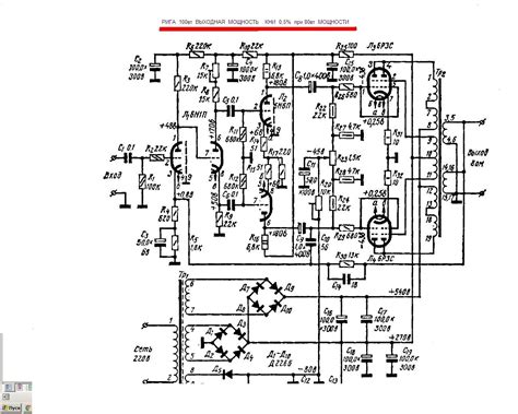
ПРИБОЙ усилитель ,переделка.
Обновление 1.0 — Lada Приора хэтчбек, 1,6 л, 20...
Авторский усилитель Предварительный усилитель с...
Усилитель высокой частоты для радиоприемника.Ло...
Усилитель | Пикабу
#23 усилитель рейки автопродукт и нижняя распор...
Рама под усилители часть №2 Финальная — Lada Пр...
Инсталл из далекого прошлого — Mitsubishi Lance...
Изображение | Усилитель
Подарки на Новый Год — Lada Приора хэтчбек, 1,6...
ламповый предварительный усилитель - набор КИТ ...
Усилитель KICX AR 4.90 установка. — Lada Приора...
Усилитель Alpine MRP-F240 — Lada Приора седан, ...
Установка усилителя в заднюю часть багажника — ...
Как установить усилитель бампера на приору - фото
Простой предварительный усилитель
Установка усилителя — Lada Приора хэтчбек, 1,6 ...
Высококачественный предварительный усилитель св...
Предварительный усилитель своими руками - YouTube
вот и он, круглый) — Lada Приора седан, 1,6 л, ...
Установка сабвуфера Pioneer и магнитолы Pioneer...
Фотогалерея усилителя А.Лайкова - Усилитель мощ...
Усилители мощности для Пилигрима. - Страница 2 ...