I-7514U-G
CATALOGUE DE PRODUITS - COMMUNICATION INDUSTRIE...
LR-7514U Módulo Isolador e Repetidor RS-485 com...
I-7514 U RS232 Converter, 72 mm X 122 mm X 35 m...
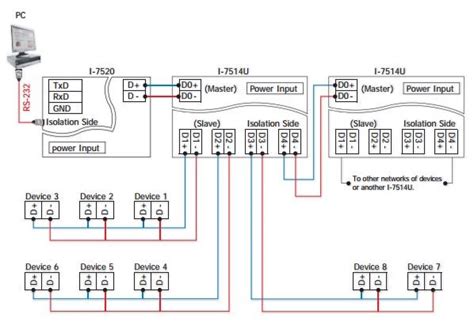
ICP CON I-7514U 2500VDC Isolated 4Channels RS-4...
ICP DAS I-7514U: Разветвитель 1xRS-485 на 4xRS-...
D_10_03.jpg
ICP I-7514U Manual | Manualzz
I-7514U-G-CR # 4 portos RS-485 hub/aktív csilla...
ICP CON 4-CH ISOLATED RS-485 HUB - I-7514U (USE...
Toyota Land Cruiser 300 Hybrid revealed as the ...
Serial Hub - ICP DAS Việt Nam
I7814HS ICREATE Other Components - Veswin Elect...
G-Man Skibidi Toilet 4.0 | Fandom
4-ių kanalų RS-485 Repeater/Hub/Splitter I-7514U-G
home > product> solutions > industrial communic...
Разветвитель I-7514U-G CR купить в Санкт-Петерб...
【有源usbhub】_有源usbhub品牌/图片/价格_有源usb...
I-7514U ICP DAS USA INC | Networking Solutions ...
I-7514U от ICP-DAS – купить у официального дист...
ICP Con i-7514U Channel Isolated RS485 Hub - Fa...
Remote Io module- I-7514U-G Isolated 4-channel ...
M-VAVE TANK-G Rechargeable Guitar Amp and Cab M...
Watch I-7514U& Isolated 4 Channels RS-485 Activ...
I-7514U-G CR von ICPDAS | by Spectra