Купить Thyratron MTX-90 по цене 10 грн. в интер...
KIT DECO OEM ORIGIN 2007 moto YAMAHA TTR90 1999...
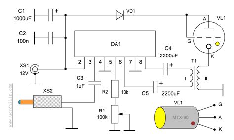
Схема подключения тиратрона мтх 90
МТХ-90 - покупка индикаторных ламп МТХ-90 в нов...
МТХ-90 (Газотрон) | Старый Свет
Картинки из жизни фотостокера: Простейший свето...
Kit deco TTR 90 90TTR monster energy complet Ya...
Тиратрон МТХ 90 / Видео
Мтх 90 схема подключения 220в
MTX-90 MTX90 MTH-90 Nixie cold cathode vacuum t...
Применение Тиратронов Мтх-90 - Автоматика - Фор...
Простой излучатель КВЧ, модулированный лечебным...
Тиратрон МТХ-90 купить с быстрой доставкой и от...
Тиратрон МТХ 90 - "Неоновый Лучик" » РадиобукА ...
Тиратрон МТХ-90. Низкие цены. На складе в наличии.
Yamaha Ttr90 Motorcycles for sale
BTR-90 - Battlefield Wiki - Battlefield 4, Batt...
МТХ- 90, Tube МТХ-90; Röhre МТХ- 90 ID37702, Th...
МТХ-90, Тиратроны, характеристики, применение, ...
00 Yamaha 90 Ttr Motorcycles for sale
Posilovací věž TOORX MSX 90 | KETTLER
Мтх 90 индикатор включения
Малогабаритный тиратрон. мтх-90 купить в Пензе ...