LC72131 datasheet(4/23 Pages) SANYO | AM/FM PLL...
LC72131 datasheet(1/23 Pages) SANYO | AM/FM PLL...
LC72131 Original New Sanyo Integrated Circuit |...
PLL IC LC72131 (Cũ)
2pcs LC 72131 LC7Z131 LC72I31 LC7213I LC72I3I L...
5pcs/lot LC72131 LC72131M SOP 20 In Stock-in In...
Очень разумные технологические странички -> Пер...
Микросхема lc72131 схема подключения - Фото под...
Semiconductor: LC72131 (LC 72131) - SOUND PLL F...
LC72131M_27829.PDF Datasheet Download --- IC-ON...
LC72131|LC72131 | - AliExpress
Синтезатор на SMD компонентах с LC72131 под Pow...
LC72131K datasheet(20/22 Pages) ONSEMI | PLL Fr...
LC72137 datasheet(22/23 Pages) SANYO | PLL Freq...
LC 72131, Tube LC72131; Röhre LC 72131 ID48255,...
LC72131 Original supply, US $ 0.01-0.01 , [SANY...
LC72131 datasheet(6/23 Pages) SANYO | AM/FM PLL...
LC72131 datasheet(14/23 Pages) SANYO | AM/FM PL...
LC72131M LC72131 SOP 20 재고 있음, 로트당 5 개|...
LC72131 datasheet(3/23 Pages) SANYO | AM/FM PLL...
LC72131 LC72131D E DIP 22 LC72131MD TLM E SOP20...
LA1823 LC72130 LC72131 DIP 24 100%|LA1823 LC721...
LC72131 SANYO Other Components - Veswin Electro...
LC72131 - فروشگاه عرفان الکترونیک
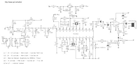
РадиоКот :: Синтезатор LC72131 на 27 МГц.
LC72131 SANYO Circuit Intégré DIP-22 '' GB Comp...
Free shippin 5pcs/lot LC72131D LC72131 LC72131M...