Генератор от 1.9 дизель sx4 — Suzuki SX4 (1G), ...
Ремонт снятого генератора Suzuki SX4 2010 года,...
Генератор — Suzuki SX4 (1G), 1,6 л, 2008 года |...
Замена генератора. — Suzuki SX4 (1G), 1,6 л, 20...
Чип тюнинг Сузуки SX4 1.6L 2008 г АКПП - YouTube
Ревизия генератора и стартера — Suzuki SX4 (1G)...
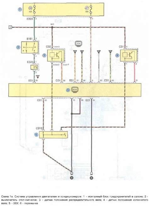
Схема автомобиля - Сузуки SX4
Генератор Suzuki SX4 1.6 купить для моделей 200...
Эпопея с термостатом — Suzuki SX4 (1G), 1,6 л, ...
вылечили генератор Зу-Зуке — Suzuki SX4 (1G), 1...
suzuki SX4 сузуки генератор митцубиси мitsubish...
Suzuki SX4 2008 1.6бензин на ЧАСТИ!! гр. Враца ...
генератор всё! — Suzuki SX4 (1G), 1,6 л, 2007 г...
2008 Сузуки SX4.Обзор (интерьер, экстерьер). - ...
Как мы закипели — Suzuki SX4 Sedan, 1,6 л, 2008...
ТО…рутина. — Suzuki SX4 (1G), 1,6 л, 2008 года ...
опять промахнулся с зарядкой. — Suzuki SX4 (1G)...
генератор запел-перебираем, меняем всё что меня...
Новый сезон. Новый тизер — Suzuki SX4 (1G), 1,6...
2008' Suzuki SX4 סוזוקי למכירה. חולון, ישראל
заменил генератор. — Suzuki SX4 (1G), 1,6 л, 20...
Ремонт генератора Сузуки SX4 - YouTube
Решил протестить машину на хорошем сервисе, зна...
Замена свечей зажигания на Suzuki SX4 - YouTube
Замена генератора — Suzuki SX4 Sedan, 1,6 л, 20...
Suzuki SX4 2008
АКБ на Suzuki SX4 Sedan 2007 Японец — Suzuki SX...