Регистры - ОСНОВЫ ФУНКЦИОНИРОВАНИЯ СИСТЕМ СЕРВИ...
Регистры | Основы электроакустики
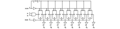
5. Регистры на основе d-триггеров. Параллельные...
Регістри опалення за ціною від виробника | Registr
Схемотехника вычислительных систем. Лекция 4. Р...
Регистры - презентация онлайн
Регистры. Параллельные регистры - презентация о...
Регистры. Основные типы регистров - презентация...
Вертикальный регистр из стальных труб - эффекти...
адресный регистр
Что такое регистр? Регистр сдвига
ОТКРЫТАЯ РЕГИСТРАТУРА :: Behance
Регистры. Лекция 7 - презентация онлайн
Регистры - YouTube
Регистр - презентация онлайн
Compiler für Eingebettete Systeme [CS7506] - pp...
Регистрационные документы - zaraz.org.ua
Регистр и Скользящий регистр
Vertical Registrar on LinkedIn: #verticalregist...
Регистры, Регистровые файлы, Регистры сдвига, У...
Объекты: Внутренние регистры
Neue Darstellung von vertikal angeordneten Regi...
Регистры. Основные типы регистров - online pres...
Регистры. Параллельные регистры - online presen...
Работа с регистрами - AlexGyver Technologies