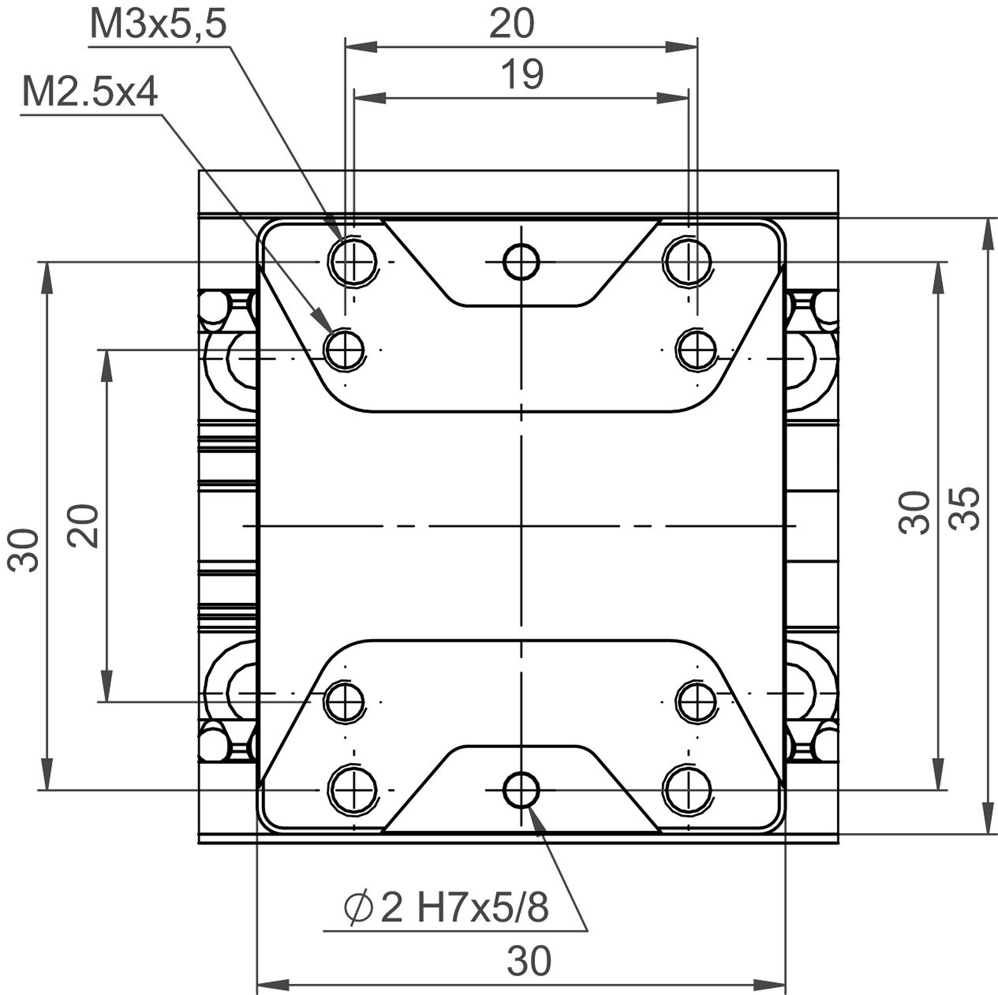
L-505 Compact Linear Stage

L-505 Compact Linear Stage