Мини електромагнит с издръжливост 60 кг | Полим...
ЭЛЕКТРОСЕКЦИИ ЭМ165 и ЭМ167
Электромагнит
Электрические машины и электропривод | УЧЕБНОЕ ...
Электромагнитные волны (ЭМВ) - презентация онлайн
Электромагниты - ЕвроПромГидравлик
Электромагнит ЭМ33
«Электромагнит-Ек» - Вентиль электропневматичес...
Электромагнит ЭМВ 11-37
Электромагниты ЭУ | ООО "Теплоавтоматика"
Электромагниты
Электромагнит ЭМВ 6-37 — ООО "ДУЭТ гидравлик Го...
«Электромагнит-Ек» - Электромагниты-защелки УМ
Электромагнит ЭМ 37, ЭМ 37. Цена и описание. ТД...
«Электромагнит-Ек» - Электромагниты серии ЭМ44
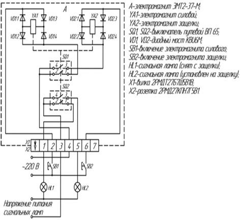
Электромагнит ЭМТ 2-37-М - ООО «ФИРМА-КОНТРАГЕНТ»
Электромагнит ЭВ, ЭО, ТЭО
Электромагнит серии ЭУ7-Т, 220В | ООО "Теплоавт...
Электромагнит разборный лабораторный
Электромегафон ''ЭМ-7''.
Обзор катушки к электромагниту Эм 33 7 | electr...
«Электромагнит-Ек» - Привод электромагнитный ПЭ-36
Электромагнит ЭМТ 2-37-М
Обзор Электромагнита ЭМ33 6 | electromagnit.ru ...
EM properties
Купить Электромагниты ЭМ оптом от производителя
Электромагниты серии ЭМВ
2 Выбор электромагнита
Електромагнити