Сухие (механические) пылеуловители - online pre...
Сухие (механические) пылеуловители - презентаци...
Групповые циклоны, Динамические пылеуловители -...
Пылеуловитель Филит
§ 6. Вихревые пылеуловители
Инерционные пылеуловители
Пылеуловители для бурения купить в Украине
3.3 Инерционные пылеуловители
Электронный пылеуловитель - YouTube
Презентация на тему: "Доменный процесс. Выплавк...
Инерционные пылеуловители с различными способам...
1. Системы и аппараты пылеулавливания. Сухие пы...
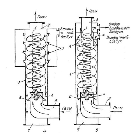
Конструкция вихревых пылеуловителей
Инерционные пылеуловители, Жалюзийные аппараты ...
Виды пылеуловителей
Мокрые пылеуловители: виды, особенности
Пылеуловитель из подручных материалов, пылесбор...
Пулеуловитель ГТО от производителя в Екатеринбурге
Системы пылеулавливания
Пылеуловители с низким сопротивлением
Импульсный пылеуловитель
Пылеулавливающее оборудование » BigPicture.ru
Стружко-пылеулавливатель к ленточной пиле - Мод...