Как заменить ремни грм и генератора на шкода фабия
Шкода фабия схема ремня генератора
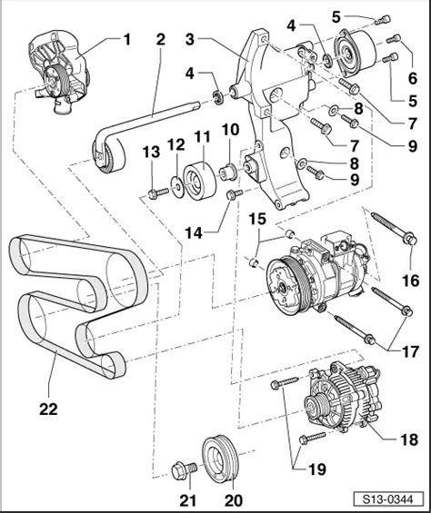
Шкода фабия ремень генератора схема
Как снять ремень генератора шкода фабия
Замена ремня генератора Skoda Fabia: описание, ...
Схема подключения генератора шкода фабия 2002 г
Ремень генератора для Шкода Фабия 2 1,2 | Festi...
Распродажа ремня генератора на Шкода Фабия в Ка...
Замена ремня генератора Шкода Фабия в Москве - ...
Ремень ГРМ с роликами комплект для Шкода Фабия,...
Шкода фабия схема установки ремня генератора - ...
Ремень генератора ролик Skoda Шкода Вся Россия ...
Шкода фабия как стоит ремень генератора - NEVIN...
Как заменить ремень ГРМ на Шкоде Фабия своими р...
Шкода Фабия. Замена ремня привода генератора. S...
Замена ремня и генератора на Skoda Fabia
Ремень генератора Фольксваген Поло седан, Шкода...
Замена приводного ремня генератора Skoda Fabia ...
Ремень генератора Шкода Фабия 2008 - YouTube
Шкода фабия замена натяжного ролика ремня генер...
Skoda Fabia | Замена ремня привода генератора |...