Mitsubishi Lancer X | Galant Fortis c 2006 года...
Стеклоочиститель и стеклоомыватель троллейбуса ...
Стеклоочиститель с приводом щеток и стеклоомыва...
Toyota Land Cruiser Стеклоочиститель и стеклоом...
Стеклоочиститель и стеклоомыватель Volvo VN | З...
Daewoo Lanos | Chevrolet Lanos - стеклоочистите...
Стеклоомыватель и стеклоочиститель заднего стек...
Стеклоочиститель и стеклоомыватель, задние фона...
МАЗ-152. Стеклоочиститель и стеклоомыватель
96. Задний стеклоочиститель… и стеклоомыватель ...
Стеклоочиститель и стеклоомыватель Foton-BJ1049...
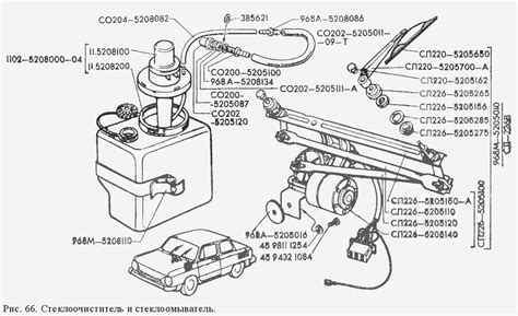
Стеклоочиститель и стеклоомыватель ЗАЗ 968М (Че...
Стеклоочиститель и стеклоомыватель заднего стек...
Стеклоочиститель и стеклоомыватель ветрового ст...
Volkswagen Transporter 1990-2003: Стеклоочистит...
Снятие и установка элементов стеклоочистителя и...
Daewoo Nubira | Nubira 2 - стеклоочиститель и с...
Kia Magentis Стеклоочиститель и стеклоомыватель...
Передний стеклоочиститель и стеклоомыватель (То...
Как отремонтировать стеклоочиститель и стеклоом...
Стеклоочиститель и стеклоомыватель ЛиАЗ-5256, 6...